信息
带双向透气膜的GN 7404通气帽可用于设备外壳和设备本体上。 当安装在缸体侧壁中时,它们可用于平衡缸体内部和外界周围区域之间的压力差。
透气膜可隔绝气态介质中的各种污垢、灰尘、油或水。因此,该通气帽这可以防止灰尘和湿气进入壳体内部,并防止缸体内部的油液溅至通气口外围区域。
透气膜应避免表面完全被油或水覆盖,并且使用场景不应超过其许用压差/通气量。 通气帽应垂直安装在设备侧壁的防护性位置上。
通气帽外六角凹形壳体的外径Ø符合DIN 3852管接头螺纹规范。
密封圈内嵌于平面侧的凹槽中。通气帽在拧紧过程中密封圈始终向外挤压,以防止密封圈丢失。
安装说明: 对于在厚度小于 4 mm 的壁上的安装,请使用安装螺母 GN 7430.
透气膜结构 - 材料
该膜使用具有完全无序结构的无纺尼龙材料作为基底。 通过使用丙烯酸共聚物浸润,使透膜纤维完全饱和以产生微小的孔隙,丙烯酸共聚物本身不会填充材料的孔隙。
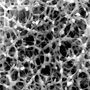
在加工透膜时,可通过调整材料和工艺参数该变孔径,孔径可选范围为0.2μm到10μm。透气膜的质量可用孔隙测定法评估,这种方法用于评估不同孔径的气孔分布和透气性。附图为透气膜截面的显微图像。
相比之下,如果使用比较经济的方法制造滤膜,可达到的最小孔径为50μm。
功能 – 使用条件 – 安装位置
由于它们的材料和表面结构,透气膜可以排斥油和水。这可以防止水和油滴完全填满膜表面。通过将透气膜安装在垂直位置的一侧来支持这些特性。
如果在一些特殊工况下透气膜被覆盖,少量的油或水会因为压差通过透气膜。 一旦该工况得到纠正,油和水从透膜上滴落,透气膜随即恢复全部功能。
技术参数
使用透气膜时,应注意透气膜的最大通气量、最大压差和最大许用压力都很重要。透气膜的通气量与内外压力差呈线性关系,其中内外侧压力差不应超过1巴。
透气量取决于压差
压差,爆破压力
经久耐用
热度 -透气膜密封壳许用工作温度为100°C的温度。透气膜自身许用工作温度为150°C。
化学 -该膜可耐受机械和汽车工程中常用的各种化学物质,例如油、燃料、有机溶剂和醇。 如果您有任何相关疑问,应该进行耐受性测试。