信息
GN 117闩锁不但具有防震功能,而且具有最大可达10mm的拉动范围。顺时针旋转捏手便可锁定成功。
此类门锁结构简单,安装成本较低,从而引起了人们的关注。
施工和安装说明
顺时针转动门,梯级式弹簧加载凸轮,会在门框后向上移动,并将门拉紧。
凸轮的“拉动”范围大(10mm),使得此类锁可在带密封条的门上方便使用。选选择距离“Z”时,应考虑门封的厚度。弹簧加载凸轮(碟形弹簧)可防止门在振动中打开。
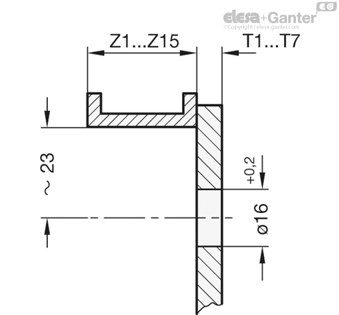
门上需开一个直径为ø16mm的孔,孔中心到门边缘的距离为23mm。锁芯从正面插入。隔片、凸轮、盘簧依次装在内部的轴后面。
自锁螺母配合一定扭矩,可允许闩锁自由转动。
| T+Z | l 最大 |
| ≤ 13.5 | 31 |
| ≤ 18 | 35.5 |
| ≤ 22.5 | 40 |
| ≤ 27 | 44.5 |
| ≤ 31.5 | 49 |
| ≤ 36 | 53.5 |
| ≤ 40.5 | 58 |
| ≤ 45 | 62.5 |
| ≤ 49.5 | 67 |
| ≤ 54 | 71.5 |
| ≤ 58.5 | 76 |
| ≤ 63 | 80.5 |