关闭
78711-R,20
78710-R,10
78712-R,50
or
GN 300-30-B5-SW;60
GN 612-5-M12x1,5-A;40
DIN 172-B10,5-20-A;50
ISO 8675-M8x1-04-BT;10
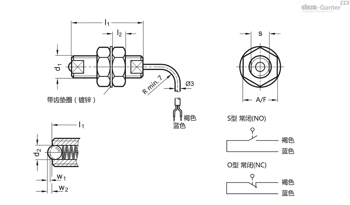
型号 | d1±0.05 | d1 | d2 | l1 | l2 | s | A/F | w1 ±0.1 ||Switching_stroke|| | w2 ±0.1 压缩 | 弹簧负载 N ≈ 起始位置 | 弹簧负载 N ≈ 终止位置 | 定位孔 | |||||
|---|---|---|---|---|---|---|---|---|---|---|---|---|---|---|---|---|---|
型号 | 3D 图纸 | 3D 图纸 |
型号 | d1±0.05 | d1 | d2 | l1 | l2 | s | A/F | w1 ±0.1 ||Switching_stroke|| | w2 ±0.1 压缩 | 弹簧负载 N ≈ 起始位置 | 弹簧负载 N ≈ 终止位置 | 定位孔 | |||||
|---|---|---|---|---|---|---|---|---|---|---|---|---|---|---|---|---|---|
型号 | 3D 图纸 | 3D 图纸 | |||||||||||||||
| GN 615.7-M6-O | M 6 | M 6 | 3 | 33 | 3.5 | 5 | 10 | 0.3 | 0.8 | 6 | 13 | M 10 | 40 | ||||
| GN 615.7-M8-O | M 8 | M 8 | 4 | 36 | 5 | 7 | 13 | 0.5 | 1 | 8 | 16 | - | 53 | ||||
| GN 615.7-M10-O | M 10 | M 10 | 5 | 40 | 6 | 8 | 17 | 0.7 | 1.2 | 10 | 20 | - | 60 | ||||
| GN 615.7-M6-S | M 6 | M 6 | 3 | 33 | 3.5 | 5 | 10 | 0.3 | 0.8 | 6 | 13 | - | 42 | ||||
| GN 615.7-M8-S | M 8 | M 8 | 4 | 36 | 5 | 7 | 13 | 0.5 | 1 | 8 | 16 | - | 40 | ||||
| GN 615.7-M10-S | M 10 | M 10 | 5 | 40 | 6 | 8 | 17 | 0.7 | 1.2 | 10 | 20 | - | 60 |
您的需求已发送,我们将尽快回复

